热门关键词: 菲涅尔透镜热释电红外传感器人体红外感应IC芯片人体红外感应模块微波雷达感应开关模块超声波传感器

行业新闻

行业新闻

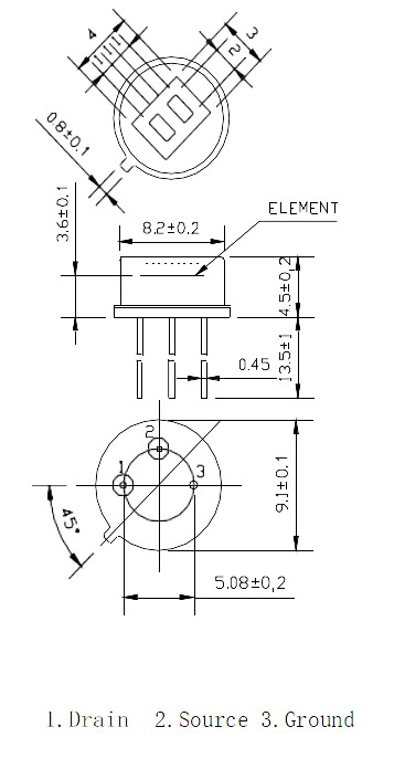
D203S

普恩科技 普恩科技 2021-04-15 1

双元热释电红外线传感器

D203S

热释电红外线传感器是利用温度变化的特征来探测红外线的辐射,采用双灵敏元互补的

方法抑制温度变化产生的干扰,提高了传感器的工作稳定性。产品应用广泛,例如,保险装

置,防盗报警器,感应门,自动灯具,智慧玩具等。

n 标准规格和尺寸 





D203S

封装

TO-5

红外接收电极

2×1mm, 2 个敏感元

窗口尺寸

4×3mm

接收波

5-14um

过率

≥75%

输出信号峰值[Vp-p]

≥3500mV

灵敏度

≥3300V/W

探测率 (D*)

≥1.4 ×108 cmHz1/2/W

杂讯峰值[Vp-p]

<70mV

输出平衡

<10%

源极电压

0.3-1.5V

电源电压

3-15V

工作温度范围

-30-70oC

保存温度范围

-40-80oC

 

 

入射视角图

 

 

 

 

 

 

等效电路图

 

 


 

 

返回列表
上一篇:集成数字式热释电红外传感器
下一篇:远距离人体感应模块SL971
咨询
·
商务

电话0755-8528 6856

手机135 9026 5021

技术支持16335649

客户服务

回到顶部